Add image-processing and scanning functions to your COM applications!
Easy to use imaging functions! Support for web camera too!
ImageKit®10 ActiveX
Distribute enduser runtime applications free without additional fees or royalties!!
![]() (ActiveX .NET Ready) US$ 899.00 1 PC Developer License US$ 399.00 1 WebServer Runtime License
|
![]() |
| See our WPF imaging component | See our .NET imaging component | See our VCL imaging component |
Save to PDF file - NEW!
Save PDF with password protection! - NEW!
Thumbnail capabilities added - NEW!
Supports touch screen
Web camera functions include video recording, playback, snapshot
Enchanced scan functions
Contains both 32bit and 64bit DLLs and OCX files
Create 64bit scanning applications (* Must have 64bit scan driver)
Supports unicode file names
Load images from and save images to HTTP/FTP servers
Set Exif information (* Not all exif tags supported)
|
Powerful Image Processing! The ImageKit10 ActiveX is a component that allows you to add image processing functionality to your applications quickly and easily. With the ImageKit10 ActiveX, you can write applications that retrieve images from TWAIN scanners and digital cameras; that load and save image files and convert images from one format to another; that edit images, draw shapes and text on images; that display images and print images; that display images as thumbnails, and much more. Most all of the ImageKit10 functionality is also available in DLL style API. The ImageKit10 ActiveX component can be used in Visual Studio (2005 and above) via COM wrapper. A variety of sample programs for each supported development environment are included with the ImageKit10 ActiveX allowing you to quickly get up to speed. Each sample program clearly illustrates one or two key functions so it is easy to understand and easy to find the necessary code to enable that functionality in your own applications. The ImageKit10 ActiveX has the same stable, easy to use functions as always, supports both 32bit and 64bit environments and comes with unicode and ansi versions. While maintaining the stability and usability of the previous version "ImageKit 9 ActiveX", we have added scan functions and a PDF file save function.
|
![]() |
| The following corporations have been especially helpful in assisting us with our scanning functionality! | |||
![]() |
![]() |
![]() |
![]() |
ImageKit10 ActiveX
The ImageKit10 ActiveX contains of five controls: the ImageKit control; three web camera controls, Record, Play, Preview; and the Thumbnail control. The ImageKit control provides comprehensive image-processing, printing, drawing, and scanning functionality. The WebCamera controls allow you to program and manipulate movie images from web cameras. The Thumbnail control provides an easy interface for displaying images as thumbnails. These controls are shipped in 4 editions: a 64 bit unicode edition, a 32 bit unicode edition, a 64 bit ANSI edition, and a 32 bit ANSI edition.
Below, we illustrate some of the main features of these controls.
ImageKit
Control
Main Features - The ImageKit control provide functions that can
retrieve images from TWAIN scanners and digital cameras, that can display and
edit images, that can draw text and shapes on images or apply effect filters
and transformations to images, that can make composite images from two seperate
images, that can load and save image files and convert images from one format
to another, that can print images, et.al.
ImageKit Control Design View Property Page
Thumbnail
Control
Main Features - The Thumbnail control provides an easy to use
interface for displaying images as thumbnails. Select single thumbnails and
display original image; select multiple thumbnails, save thumbnail information
to file for quick loading, and more.
Thumbnail Control Design View Property Page![]()
Record Control
Main Features - The Record Control captures movies from webcameras.
Preview Control
Main Features - The Preview Control allows you to preview webcamera.
Play
Control
Main Features - The Play Control plays webcamera movies
Touch Screen Functions
Touch functions used by tablet PCs now provided
Pinch in and Pinch out

Touch scroll

When editing with touch
selecting objects is important. The size of the selection blocks change automatically when using a mouse or when using touch

WebCamera Functions
Supports web camera functions of preview, capture (save in avi and wmv formats) and play (avi, mpeg, etc.)

ImageKit10 Preview Control

Web camera Settings dialog

Image Display And Edit Functions
The ImageKit control provides powerful image display and editing functionality
Automatically display the vertical and horizontal direction of the photo - NEW!
It is possible to retrieve Exif information from JPEG photos taken with smartphones and automatically
adjust for vertical and horizontal display.
(* If the corresponding Exif information exists)
Display Raster Data - supports BMP, FPX, GIF, EXIF JPEG, JPEG, JPEG2000, PCX, PNG, TIFF, TIFF CCITTRLE, TIFF G3, TIFF G4, TIFF LZW, TIFF Packbits, TIFF JPEG
Display Vector Data (DXF(2D), WMF, EMF, SVG - uncompressed, SXF
Here is DXF data after it has been loaded and displayed in the
ImageKit control:

The ImageKit control can display a graduated ruler on its border or a grid on top of images.
Display graduated rule (supports pixels, millimeters, inches units)
Display grid on images (supports pixels, millimeters, inches units)
Multi-layer functionality is provided by the ImageKit control's layer interface
The Layer Interface allows you to create applications that can display raster images like JPEG at the same time you are displaying vector data like DXF!
Simultaneously display both raster and vector images (up to 100 distinct image layers)

Base image + raster image + vector image + graduated rule + grid

Display coordinates in tooltip
Scroll by mouse drag
Display black and white (1 bit color) images in high quality display
Automatically avoid data loss when black and white (1-bit color) images are reduced in size.

Scale display mode
If images are larger than the ImageKit Control, the
image will be scaled to fit within the control.
Actual Size display mode
If images are larger than the ImageKit Control, scroll
bars are automatically displayed
Actual Size display mode (without scroll bars)
If images are larger than the ImageKit Control, scroll
bars are not displayed and image is not scaled
Stretch display mode
Images are resized to fit the dimensions of the
ImageKit Control
Set display position of the image
With this functionality you can even display images at the very bottom of the ImageKit Control
The Pan Window (supports both raster and vector data)
The ImageKit control provides a useful Pan Window which can display the entire image while only a portion of that image is being displayed in the ImageKit Control. That portion of the entire image in the ImageKit Control is marked with a rectangle in the Pan Window. You can scroll the portion of the image displayed in the ImageKit control by moving this rectangle in the Pan Window. Multiple images simultaneously displayed in the ImageKit Control will also be shown in the Pan Window. Both raster and vector images are supported.
Here is a vector image being displayed in the Pan Window and the
ImageKit control

Scrollbar control action
Not only can you scroll with the mouse, but also with code. This includes
diagonal scrolling!
Regional selection
It is possible to select areas or regions on an image for processing. This is
as easy as moving the mouse over the image. Regional selection can also be done
via code.
Image editing toolbar
The Image editing toolbars are an easy to use interface for editing images. The image editing toolbars support both raster and vector data.
Raster Image Editing Toolbar
Use this toolbar with raster images to zoom, to rotate, to select the entire
image or select rectangular regions or freehand regions, to rotate selected
areas, to undo changes, use a pen tool, retrieve colors from images, draw
shapes like rectangles, ellipses, rounded rectangles, straight lines, curves,
fill color, use air brush or eraser, set custom stamps, draw text, set fonts,
copy and paste, set foreground and background colors, borders, etc.
Freehand selection and rotation of a region on a raster image

Provide your enduser with this rich image editing interface with just these three lines of code....
ImageKit1.Edit.EditEnable = True
'enable editing
ImageKit1.Edit.ShowToolBar ikRaster
'display image editing toolbar
ImageKit1.Edit.Modify
'save modifications to image data
Vector Image Editing Toolbar
Use this toolbar with vector images to zoom, to rotate, undo changes, to move
vector elements, to select single elements, to select elements in a region, to
draw shapes like rectangles, ellipses, rounded rectangles, straight lines,
polygons, polylines, to load raster images and embed them, to draw text, set
fonts, set foreground and background color, borders, etc.
This shows the vector image editing toolbar selecting and changing
vector objects

A vector object's (the red line) popup menu - property

Changing text in vector images


Image Effects And Transformation Functions
The ImageKit control provides numerous effect filters and transformation functions.
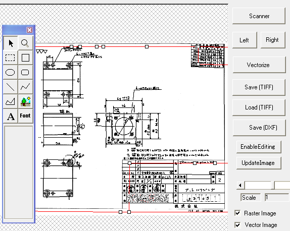
Convert raster data to vector data
Thats right! You can covert raster images to vector data. Take those old
hand-drawn diagrams and blue prints, run them through an image scanner and save
them as JPEG or BMP files. Then, using the vectorizing functionality, convert
those images to DXF or other vector format. Avoid the inevitable deterioration
of physical diagrams, vectorized data scales easily, reuse as CAD data, et.al.
Here is an example of a program that scans, vectorizes, and saves
diagrams

Display vector data with antialias
By using antialias, you can smooth the rough edges in vector data. In the
following two images, notice the outline of the shapes and the text (numbers).
No antialias

Antialias

Digital Watermark
Embed an "invisible" copyright or logo within an image and be
able to detect it later.
Embedding an digital watermark

Checking for the watermark in an image

Create new images
Select areas on the image and apply changes to only those areas
Create composite images from existing images
Use the PasteImage method or the LayerImage method to combine two images. Set
the attachment location, set overall transparency, specify a transparent color,
clip excess areas, flip images or create mirror images, etc.
Here is an example of two images being attached together with
overall transparency set to 50%

Panorama Composition
This creates a panorama out of two raster images. By simply specifying two
attachment locations on each image, creates a panorama. You can specify the
direction images are attached, specify the background color for areas outside
the images, set a string displayed in the title bar of the panorama, etc.

Duplicate images
Copy and paste images to clipboard
Adjust sharpness
Noise reduction
Blur
Mosiac
Outline
Emboss
Antialias
Glasstile
Color correction (RGB, YCC support; Gamma, Level, and
Chroma adjustment)
Increase or decrease color
Resize
Rotate (regional area selection possible; 1/100th of a
degree accuracy; interpolation reduces deterioration of rotated
object)
Flip
Mirror
Affine correction (deskew)
Create your own custom effect filter
Special effects
Oilpaint, canvas, glasstile, lens, ripple, whirlpinch, waves, motionblur, and
more...
Wave Effect

Canvas Effect

Motionblur Effect

Whirlpinch Effect

Scanning Functions
ImageKit10 ActiveX allows you to add scanning functions to your applications
quickly and easily. Retrieve images from TWAIN scanners, digital cameras, and
film scanners. Use the scan manufacturer's user interface or build your own
custom user interface making scanning a nearly seamless operation. Set scan
conditions, pixel type, resolution, bit count, brightness, contrast, highlight,
threshold, shadow, enable/disable scan indicator, scan mode, datasource name,
scan position, scan units, and more. Of course ADF and duplex scanning are
supported.
Here is a screenshot of one of our scan sample programs and its menu
items


Support for text orientation, edge enhancement, text enhancement
[Canon DR Scanners]
Support for reflective scanning positive film, color/BW ratio detection, character distinction, focus position adjustment
[Epson Scanners]
Support for multistream
[Panasonic Scanners]
Support for Color/BW ratio detection, multistream
[PFU Scanners]
Support for skipping blank page
Support for punch hole removal
[Canon DR Scanners]
[Epson Scanners]
[Panasonic Scanners]
Support for saving TWAIN driver UI information and scanning with that information
Support for memory transfer with compression (JPEG, PNG)
Support for file transfer
Set and retrieve the compression method for file and memory transfer.
Compression methods include: Uncompressed (default), Packbits, Group3-1D,
Group3-1DEOL, Group3-2D, Group4, Jpeg, Lzw, Jbig, Png, Rle4, Rle8, Bitfields
Support for dropout color
This sets the dropout color when using a custom-built scan interface.
Support for noise filter
Reduces noise in black and white (1-bit color) images.
Support for image filter
Improves image quality. LOWPASS improves halftone images, BANDPASS improves
images that include text, and HIGHPASS improves images that have lines.
Auto paper size detection
When paper size is set to "undefined" (1000), this function automatically
detects the size of the paper and scans.
Support for deskew
Corrects skewed documents
Support for moire filter [Epson
Scanners]
Sets the moire Filter when scanning with a custom-built scan interface
Support for unsharpness filter [Epson
Scanners]
Sets the Epson Unsharpness Filter when scanning with a custom-built scan
interface
Support for dynamic threshold [Panasonic
Scanners]
Improves clarity and reduces "smudginess" when scanning with a custom-built
scan interface
Support for deskew smoothing [Panasonic
Scanners]
Significantly reduces jagged lines and text
ADF
duplex scanning support
ADF
duplex scanning support
Retrieve thumbnail images from digital cameras
Supports monochrome halftone settings
Supports scaling
Set
paper size when scanning
Retrieve the range of setting values for a give scan
property
Select the scan device
Displays a dialog that allows you to select the scan device you wish to use
from all the scan devices installed. If you know the scan device's datasource
name, you can shortcut this functionality and directly initialize the scan
device. It is also possible to retrieve the datasource list displayed in the
dialog.
Supports both scanner manufacturer's UI and custom built
UI
Not only supports scan user interface provided by the scanner manufacturer but
also supports the custom scan user interface that you build.
Supports continuous scanning with ADF (auto document
feeder) or digital camera. (both manufacturer and custom UI)
Provides functions to set scanning conditions (custom UI)
and retrieve scan information (both manufacturer and custom UI)
Scanning Conditons include: pixel type, scan location,
resolution, image bitcount, brightness, contrast, gamma correction, highlight,
threshold, shadow, scan indicator on/off, scan mode (document plate, ADF,
digital camera, etc.), specify datasource name, select user interface (use
manufacturer UI, use manufacturer UI and close after scan, use custom UI), scan
units (inches, centimeters, pixels...)
Scanning Information includes: scan location, resolution, scan
units (inches, centimeters, pixels...)
Provides events that you can hook into for each scan even
when using continuous scanning via ADF or digital camera.
| The following corporations have been especially helpful in assisting us with our scanning functionality! | |||
![]() |
![]() |
![]() |
![]() |
File Processing Functions
The ImageKit Control provides you with numerous functions for loading and saving image files. Of course, load functions for each file type are provided but there is also a load function that automatically detects each file type. Load files of one type and save them as a different type. For example, it is easy to load CAD data (DXF) and save it a JPEG.
Supports saving to PDF file - NEW!
It also supports saving to PDF with password
protection, which helps strengthen security.
(* Only JPEG and PNG are the file formats that can be saved to PDF.)
File open dialog with preview function and file information


By using these dialogs, you no longer need any code to select images files to load. Since the image preview of the selected image is shown in real time, not only can you visually confirm the selected image and check its file information, but you will also be pleasantly surprized at how easy this functionality is to use.
Loads BLOB image data from and saves BLOB image data
to database
Example code for retrieving and displaying image data from a database
Dim BinaryData() As Byte
Dim connStr As String
Dim ID As String
Dim rs As Recordset
connStr="driver=SQLServer;DATABASE=MyDatabase;UID=MyUserid;_<br> PWD=MyPassword;Server=MyServer"
Set rs = CreateObject("ADODB.Recordset")
ID = "001"
rs.Open "select ImageData from Files where ID =" + ID, connStr, 2, 4
BinaryData = rs("ImageData")
'retrieve BLOB data
rs.Close
Set rs = Nothing
'Set the BLOB data into the ImageKit Control
ImageKit1.File.LoadFromStream BinaryData
ImageKit1.File.LoadFileMem ikLoad
'Load as DIB data
ImageKit1.Display ikScale
'Display in the ImageKit Control
Steam image data directly to the browser
For example in classic ASP, by using the following:
Response.BinaryWrite(ImageKit1.File.SaveToStream())
It is possible to display image data directly in the client browser.
Improved file transfer functions, HTTPS support,
Seperate connect and disconnect functions
In addition to FTP and HTTP file transfer functions, The ImageKit10 now supports
file transfer through secure socket layer. New functions for connecting to
and disconnecting from FTP and HTTP servers have been added and can now be
performed in functions distinct from file transfer.
Load images from and save images to separate color
planes
With the following methods, images can be separated into their respective color
planes and saved. Likewise, images can be loaded from their respective color
planes.
RGBBmpPlaneFileLoad / RGBBmpPlaneFileSave
CMYKBmpPlaneFileLoad / CMYKBmpPlaneFileSave
YCCBmpPlaneFileLoad / YCCBmpPlaneFileSave

Load images from and save images to memory
data
Supports loading and saving image data directly to memory data.
Load images from and save images to HTTP and FTP servers
Not only are physical paths supported with loading and saving files, but also
virtual paths pointing to HTTP or FTP directories are supported. You can now
load image directly from and save images directly to your HTTP or FTP server.
Progress event generated when loading and saving
This event is available for all supported image types.
Supported Image File Formats
JPEG2000
JPEG2000Stream
JPEG2000 is the successor of the well-known traditional JPEG format. JPEG2000
is an image coding system that uses state-of-the-art compression techniques
based on wavelet technology. Compared to JPEG, JPEG2000 offers higher
compression without compromising quality, progressive image reconstruction,
lossy and lossless compression.
SVG**
(uncompressed)
Scalable Vector Graphics is an XML markup language for describing
two-dimensional vector graphics.. It is an open standard created by the World
Wide Web Consortium, which is also responsible for standards like HTML and
XHTML.
SXF(p21/sfc)**
SXF is a CAD data exchange format specified by JACIC. Support is provided for
SXF standard version 3.0.
DIB
(WindowsBMP) 1, 4, 8, 16, 24, 32 bit
DIB
(WindowsBMP) RLE4, RLE8 4, 8 bit
JPEG
8 bit grayscale, 24 bit color / Standard DCT, Progressive DCT / Exif (JPEG
compression, main and thumbnail image, load only)
GIF Transpareny
/ Interlace / 1, 4, 8 bit / Loads multipage / Saves animation
TIFF 1, 4, 8,
16, 24, 32 bit / Supported compression: Uncompressed, CCITTRLE, FAX3 (1D, 2D),
FAX4, JPEG*, PACKBITS, LZW (Color mode: palette, rgb, cmyk)
(Multipage: load and save)
PNG 1, 4, 8,
24 bit / transparency / interlace
FPX (Flashpix) 8
bit grayscale, 24 bit / Supported compression: Uncompressed, JPEG compression,
Single Color compression
PCX 1, 4, 8,
24 bit
WMF**
EMF**
DXF
(2D)**
(*) Not all Tiff-Jpeg format files are supported, particularly older versions of this format.
(**) Vector data may be altered or lost when it is loaded or saved.
Drawing Functions
The ImageKit control provides functions for drawing shapes and text to the designated object (screen, printer, or memory data). For example, use this functionality to draw a polygon and text on the image currently displayed in the ImageKit Control.
Draw bezier curves
Use the brush to draw rectangles
Draw a focus rectangle

Uses GDI+ to draw text (Solid, Hatch, Texture,
Gradiation)

Draw image to window handle (hWnd)
Set
the desired color to a specific pixel
Retrieve the color from a specific pixel
Retrieve image from the device context (Hdc)
Select the designated drawing object
Fill one color with another color
Draw image to the device context (Hdc)
Draw straight lines
Draw rectangles
Draw ellipses
Draw polygons
Draw polylines
Draw arcs
Draw chords
Draw arrows
Draw rounded rectangles
Draw filled rectangles
Draw text within a specified rectangle
Darw text from a specified point
Retrieve height and width of text from text
information
Printing Functions
Provides functions relating to printing and manipulating printers
List ports
Retrieve list of paper size names
Retrieve list of paper tray names
Retrieve list of printer resolutions
Set default printer

Save printer information and settings into a "printer
file"
With the printer file you can print without displaying the Print dialog. Once
you save the printer settings then you can reuse them easily without the Print
dialog.
Start print job
Start print page
End print page
End print job
Retrieve height and width of the valid print area for a
given paper size
List printer names
Thumbnail Control Display Functions
The ImageKit10 ActiveX Thumbnail control lets you display images as thumbnails by simply selecting the folder and file type. All image files of that file type within the specified folder will automatically be displayed as thumbnails. The Thumbnail control displays thumbnails in an easy to use, fast, customizable control.

Thumbnail Control
property page for setting custom display pattern

PictureDown is display when the thumbnail cell is selected, PictureUp is the
default
(Displayed when the thumbnail cell is not selected).
Automatically display the vertical and horizontal direction of the photo - NEW!
It is possible to retrieve Exif information from JPEG photos taken with smartphones and automatically adjust for vertical and horizontal display.
(* If the corresponding Exif information exists)
Change the thumbnail display order
Now you can change the order in which the thumbnails are displayed by simply
moving them around with the mouse.
Delete a thumbnail
With the Delete Method, you can remove a thumbnail by specifying the image
number.
Change the layout of the thumbnail dialog
You can specify the number of columns and rows of thumbnails that will be
displayed within the control as well as the gap size, etc.
Abundant thumbnail settings
Thumbnail settings include: folder, file types (BMP, JPG, GIF, TIFF, WMF, EMF,
etc., load and mix different file types), number of columns, number of rows,
scrollbar on/off, scroll action (scroll using code), background colors, display
size, gap size, display pattern (film, button, custom), et.al.
Generates file load events
When image files are loaded and displayed as thumbnails, events are generated
and can be used to execute code for each file loaded.
Supports the display of custom patterns
Create you own pattern when thumbnails are displayed. Simply specify the
pattern images and set transparent colors.
Simultaneous thumbnail selection
Supports the selection of multiple thumbnail images at the same time.
Drag and drop
Drag images from Windows Explorer or from another ImageKit Thumbnail Control
and drop them directly into the Thumbnail Control.
Increase speed in displaying thumbnail image
Load images into the Thumbnail Control once and then, by using the ImageKit10
ActiveX Thumbnail File, greatly increase the display speed whenever they are
loaded again.
ImageKit10 ActiveX Licensing
The ImageKit10 ActiveX license is a "PC developer" license. This means that a seperate license is required for each computer where the ImageKit10 ActiveX is used to develop software.
For example:
If the ImageKit10 ActiveX is used by only one person on one computer, then only
one license is required.
If the ImageKit10 ActiveX is used by only one person,
but this person uses it on two computers, then 2 PC developer licenses are
required.
If two software developer's use the ImageKit10 ActiveX but only on one
computer, then only one license is required.
For software developer's who require multiple licenses, we have multiple
license packs available at a significant discount.
When applications using the ImageKit10 ActiveX run on a web server, a seperate webserver runtime license required.
For more details about licensing, please refer to our licensing page or contact us at sales@imagekit.com.
ImageKit10 ActiveX License Activation
For the ImageKit10 ActiveX to work properly, the license must be activated. License activation insures that the correct number of licenses are properly installed. Activation usually takes place when the ImageKit10 ActiveX is installed but activation can be postponed until later. In the license is not activated within 2 weeks of installation, the ImageKit10 ActiveX will stop working until it is activated. For more information about license activation, please refer to the ImageKit10 ActiveX documentation or contact us at sales@imagekit.com.
ImageKit10 ActiveX Runtime License
The ImageKit10 ActiveX is enduser runtime license free for all registered developers. The registered developer can make as many different enduser runtime applications and can distribute as many of each of these applications as he or she wishes with out limit*. Only registered users are allowed to do this. To register, simply send us your contact information along with the serial number of the ImageKit10 ActiveX that you are using to register@imagekit.com. For more information, please visit our user registration page.
*This does not apply to webservers. Applications running on a webserver or distributed via cab file to client browsers require an ImageKit10 ActiveX WebServer Runtime License. For details please contact sales@imagekit.com
The ImageKit10 ActiveX can only be registered to the person using it. It cannot be registered to a company, a group, or any other entity. USER REGISTRATION IS NOT TRANSFERRABLE WITHOUT THE EXPRESSED WRITTEN CONSENT OF NEWTONE CORPORATION.
If the ImageKit10 is used to create redistributable components, i.e. ActiveX controls, VCL components, DLLs, etc., then a redistribution license allowing a specific number of such software may be required. For more information, please contact us at sales@imagekit.com
Suggested Retail Price (Single PC Developer's License)
ImageKit10 ActiveX
1 Single PCDeveloper's License US$899.00
ImageKit10 ActiveX
1 Webserver Runtime License US$399.00
Multiple licenses packs are available at a significant discount.
For details, please see ImageKit10 ActiveX Multiple License Packs or visit our
online store
Supported Environment
ImageKit10 ActiveX
Supported Platform
Microsoft Windows
11 / 10 / 8.1 / Server 2022 / Server 2019 / Server 2016 / Server 2012 R2 /
Server 2012
Internet Explorer 11
Supported Development Container
VB6.0, VC++6.0, Visual Studio
2022** / 2019 / 2017 / 2015 / 2013 / 2012 / 2010 / 2008 / 2005 (COM Wrapper), ASP (IIS
10.0 / 8.0 / 7.5)
* To use the ImageKit10, you must have the Visual C++ 2019 runtime installed.
** When developing with Visual Studio 2022, register the 64-bit version of the ActiveX control in the registry.
Supported Scan Devices (TWAIN ONLY)
Image Scanners (+ADF) / Digital Cameras / Flim Scanners
DirectX Support
DirectX 9 or above (when using the WebCamera controls)












